Welcome to the Vintage H.H. Scott Schematic Library. If you don't see it listed, I simply don't have it. Please feel free to submit schematics, as 300 DPI G/S TIFF. 

Documents & Schematics from this site require the latest, free,
Adobe Acrobat Reader. Files are provided for your personal, non-commercial use, as defined in the Terms of Use.

Note: The schematic files are large (approximately 1 to 4 megabytes, each).
These  PDF files are high-definition, suitable for laser-quality, 8.5" x 11" printing.
(Note: The 1964 Tuner and Amplifier Owners Guides are 20 pages each.)  Each page can take approximately 3 to 12 minutes using 56.6 kBps download access.  All links are schematics, unless otherwise noted.

Preamps:

112-B
114-A
120-A
120CP
121-A
130
LC-21

Amplifiers:

1964 Amp Owners Guide 
(All Scott tube models)

99-B
99-D

208

200 and LK-30(A/B)

210-D

222(A)
222-B
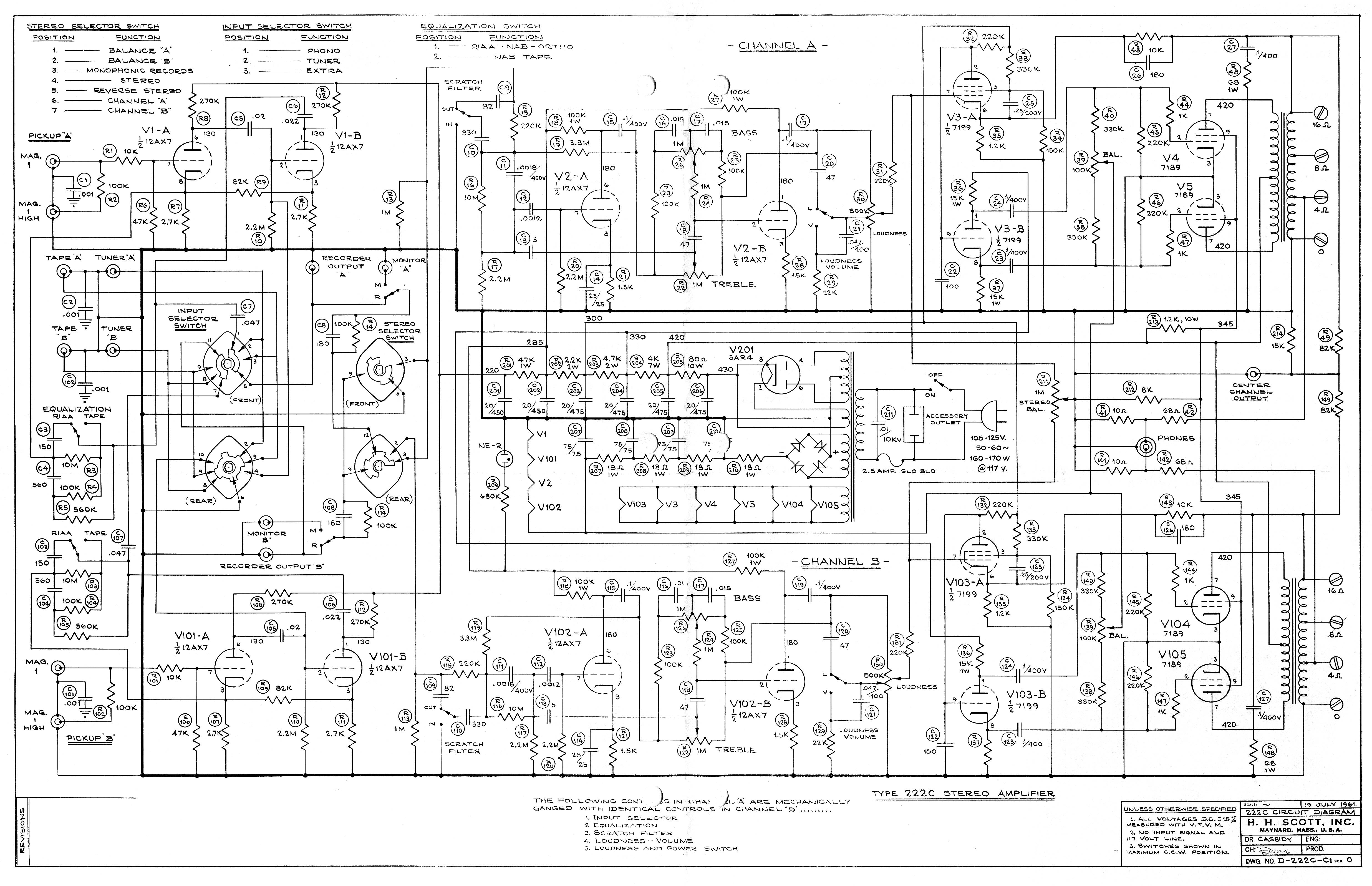
222-C
222-C and LK-48(A)
222-C and LK-48-B
LK-48-B
222-D

233 (also some 299-C's)

250

296 -Schematic
296 -Owners Guide

299-A
 
299-B
 
299-C  (Some use 233)
299-D (EARLY)
299-D (LATE)
LK-72(A)
LK-72-B

Tuners:

1964 Tuner Owners Guide
(All Scott tube models)


310-E
314 and LT-10

330-A

333-A
333-A_Page 1
333-A_Page 2

335 & LM-35
335 & LM-35 Connection Guide

350-B
350-C
350-D

LT-110

370-A/B



Receivers:

340-A 


340-B (EARLY)
340-B (LATE)


345

355

380